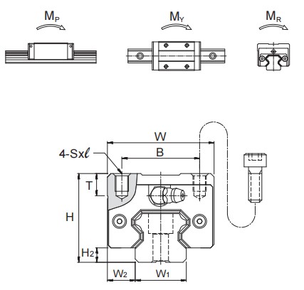
| Unit mm |
| Model No | External dimension | Carriage dimension |
Height H | Width W | Length L | W₂ | H₂ | B | C | S×l | L | T | N | G | K | d, | Grease Nipple |
| MSA 15S | 28 | 34 | 56.3 | 9.5 | 4.2 | 26 | 26 | M4×5 | 39.3 | 7.2 | 8.3 | 7 | 5.4 | 3.3 | G-M4 |
MSA 20S MSA 20 LS | 30 | 44 | 72.9 88.8 | 12 | 5 | 32 | 36 50 | M5×6 | 51.3 67.2 | 8 | 5 | 12 | 5 | 3.3 | G-M6 |
MSA 25S MSA 25LS | 40 | 48 | 81.6 100.6 | 12.5 | 6.5 | 35 | 35 50 | M6×8 | 59 78 | 10 | 10 | 12 | 5.5 | 3.3 | G-M6 |
MSA 30S MSA 30LS | 45 | 60 | 97 119.2 | 16 | 8 | 40 | 40 60 | M8×10 | 71.4 93.6 | 11.7 | 10 | 12 | 6 | 33 | G-M6 |
MSA 35S MSA 35LS | 55 | 70 | 111.2 136.6 | 18 | 9.5 | 50 | 50 72 | M8×12 | 81 106.4 | 12.7 | 15 | 11.5 | 6.5 | 3.3 | G-M6 |
MSA 45S MSA 45LS | 70 | 86 | 137.7 169.5 | 20.5 | 10 | 60 | 60 80 | M10×17 | 102.5 134.3 | 16 | 20 | 13.5 | 7 | 3.3 | G-PT1/8 |
MSA 55S MSA 55LS | 80 | 100 | 162.1 200.1 | 23.5 | 13 | 75 | 75 95 | M12×18 | 119.5 157.5 | 18 | 21 | 13.5 | 12.4 | 3.3 | G-PT1/8 |
MSA 65S MSA 65LS | 90 | 126 | 198.6 252.6 | 31.5 | 15 | 76 | 70 120 | M16×20 | 149 203 | 23 | 19 | 13.5 | 15.9 | 3.3 | G-PT 1/8 |
Note: The basic dynamic load rating C of ball type is based on the 50 km for nomonal life. The conversion between C for 50 km and C100 for 100 km is C=1.26 x C100.
Note*: Single: Single carriage/ Double: Double carriages closely contacting with each other.

| Unit mm |
| Model No. | Rail dimension | Basic load rating | Static moment rating | Weight |
Width W₁ | Height H₁ | Pitch P | E std | Dxhxd | Dynamic C kN | Static C。 kN | Mp kN-m | M kN-m | M kN-m | Carriage kg | Ral kg/m |
| Single | Double | Single | Double |
| MSA15S | 15 | 15 | 60 | 207.5×5.3×4.5 | 11.8 | 18.9 0.12 | 0.68 | 0.12 | 0.68 | 0.14 | 0.18 | 1.5 |
MSA20S MSA20LS | 20 | 18 | 60 | 20 | 9.5×8.5×6 | 19.2 23.3 | 29.5 39.3 | 0.23 0.39 | 1.42 2.23 | 0.23 0.39 | 1.42 2.23 | 0.29 0.38 | 0.3 0.39 | 2.4 |
MSA25S MSA25LS | 23 | 22 | 60 | 20 | 11×9X7 | 28.1 34.4 | 42.4 56.6 | 0.39 0.67 | 2.20 3.52 | 0.39 0.67 | 2.20 3.52 | 0.48 0.63 | 0.52 0.68 | 3.4 |
MSA30S MSA30LS | 28 | 26 | 80 | 20 | 14×12×9 | 39.2 47.9 | 57.8 77.0 | 0.62 1.07 | 3.67 5.81 | 0.62 1.07 | 3.67 5.81 | 0.79 1.05 | 0.86 1.12 | 4.8 |
MSA35S MSA35LS | 34 | 29 | 80 | 20 | 14×12×9 | 52.0 63.6 | 75.5 100.6 | 0.93 1.60 | 5.47 8.67 | 0.93 1.60 | 5.47 8.67 | 1.25 1.67 | 1.45 1.9 | 66 |
MSA45S MSA45LS | 45 | 38 | 105 | 22.5 | 20×17×14 | 83.8 102.4 | 117.9 157.3 | 1.81 3.13 | 10.67 16.95 | 1.81 3.13 | 10.67 16.95 | 2.57 3.43 | 2.83 3.7 | 11.5 |
MSA55S MSA55LS | 53 | 44 | 120 | 30 | 23×20×16 | 123.6 151.1 | 169.8 226.4 | 3.13 5.40 | 1757 28.11 | 3.13 5.40 | 1757 28.11 | 450 6.00 | 4.12 4.91 | 15.5 |
MSA65S MSA65LS | 63 | 53 | 150 | 35 | 26×22×18 | 198.8 253.5 | 265.3 6.11 33.71 375.9 11.8457.32 | 6.11 11.84 | 33.71 5732 | 8.36 11.84 | 6.43 8.76 | 21.9 |