
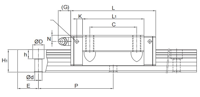
| Unit:mm |
| Model No | External dimension | Carriage dimension |
Height H | Width W | Length L | W₂ | H₂ | B | C | s×l | L₁ | T | T₁ | N | G | K | d₁ | Grease Nipple |
MSA 15A MSA 20A MSA 20 LA | 24 | 47 | 56.3 | 16 | 4.2 | 38 | 30 | M5×11 | 39.3 | 7 | 11 | 4.3 | 7 5.4 3.3 G-M4 |
| 30 | 63 | 72.9 88.8 | 21.5 | 5 | 53 | 40 | M6×10 | 51.3 67.2 | 7 | 10 | 5 | 12 | 5 | 3.3 | G-M6 |
MSA25A MSA25 LA | 36 | 70 | 81.6 100.6 | 23.5 | 6.5 | 57 | 45 | M8×16 | 59 78 | 11 | 16 | 6 | 12 | 5.5 | 3.3 | G-M6 |
MSA 30A MSA 30 LA | 42 | 90 | 97 119.2 | 31 | 8 | 72 | 52 | M10×18 | 71.4 93.6 | 11 | 18 | 7 | 12 | 6 | 3.3 | G-M6 |
MSA 35A MSA35 LA | 48 | 100 | 111.2 136.6 | 33 | 9.5 | 82 | 62 | M10×21 | 81 106.4 | 13 | 21 | 8 | 11.5 | 6.5 | 3.3 | G-M6 |
MSA 45A MSA 45 LA | 60 | 120 | 137.7 169.5 | 37.5 | 10 | 100 | 80 | M12×25 | 102.5 134.3 | 13 | 25 | 1013.5 | 7 | 3.3 G-PT1/8 |
Note: Request for size 55 and 65 MSA-A / MSA-LA carriage, please refer to MSA-E / MSA-LE carriage type.
Note: The basic dynamic load rating C of ball type is based on the 50 km for nomonal life. The conversion between C for 50 km and C100 for 100 km is C=1.26 x C100.
Note*: Single: Single carriage/ Double: Double carriages closely contacting with each other.

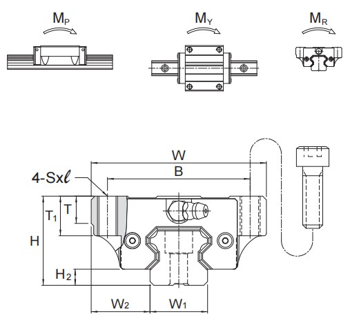
| Unit:mm |
| Model No | Rail dimension | Basic load rating | Static moment rating | Weight |
Width W. | Height H₁ | Pitch P | E std. | D×h×d | Dynamic C kN | Static C。 kN | Mp kN-m | M kN-m | M kN-m | Carriage kg | Rail kg/m |
| Single | Double | Single | Double |
| MSA 15A | 15 | 15 | 60 | 20 | 7.5×5.3×4.5 | 11.8 | 18.9 | 0.12 | 0.68 | 0.12 | 0.68 0.14 | 0.18 | 1.5 |
MSA 20A MSA 20 LA | 20 | 18 | 60 | 20 | 9.5×8.5×6 | 19.2 23.3 | 29.5 39.3 | 0.23 0.39 | 1.42 2.23 | 0.23 0.39 | 1.42 2.23 | 0.29 0.38 | 0.4 0.52 | 2.4 |
MSA 25A MSA 25 LA | 23 | 22 | 60 | 20 | 11×9×7 | 28.1 34.4 | 42.4 56.6 | 0.39 0.67 | 2.20 3.52 | 0.39 0.67 | 2.20 3.52 | 0.48 0.63 | 0.62 0.82 | 3.4 |
MSA 30A MSA30 LA | 28 | 26 | 80 | 20 | 14×12×9 | 39.2 47.9 | 57.8 77.0 | 0.62 1.07 | 3.67 5.81 | 0.62 1.07 | 3.67 5.81 | 0.79 1.05 | 1.09 1.43 | 4.8 |
MSA35A MSA35 LA | 34 | 29 | 80 | 20 | 14×12×9 | 52.0 63.6 | 75.5 100.6 | 0.93 1.60 | 5.47 8.67 | 0.93 1.60 | 5.47 8.67 | 1.25 1.67 | 1.61 2.11 | 6.6 |
MSA 45A MSA 45 LA | 45 | 38 | 105225 | 20×17×14 | 83.8 102.4 | 117.9 157.3 | 1.81 3.13 | 10.67 16.95 | 1.81 3.13 | 10.67 2.57 16.95 3.43 | 2.98 3.9 | 11.5 |