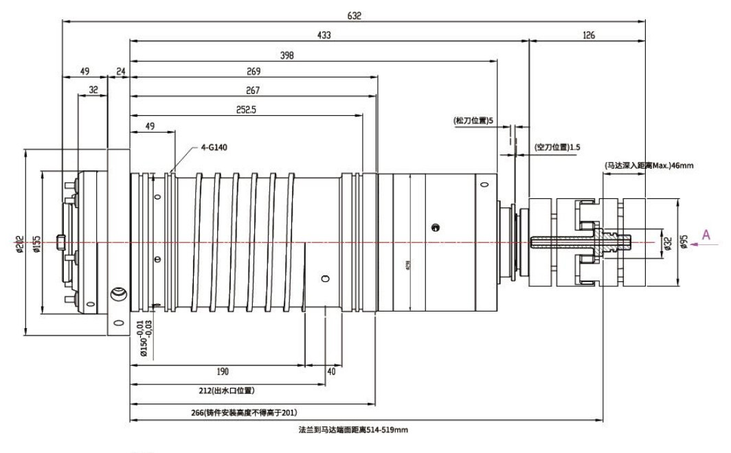
GSPRD40007-BT40-150-Central Outlet
CONSUNT NOW
Description

33.jpg

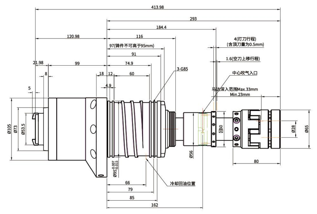
33-1.png

33-2.png

Previous page:Already for the first item
Next page:Already for the last one

Related Products